● 全国交通职业教育教学指导委员会主任单位

● 北京市交通委直属的唯一公办高职

● 北京市特色高水平职业院校

● 北京交通职教集团核心校

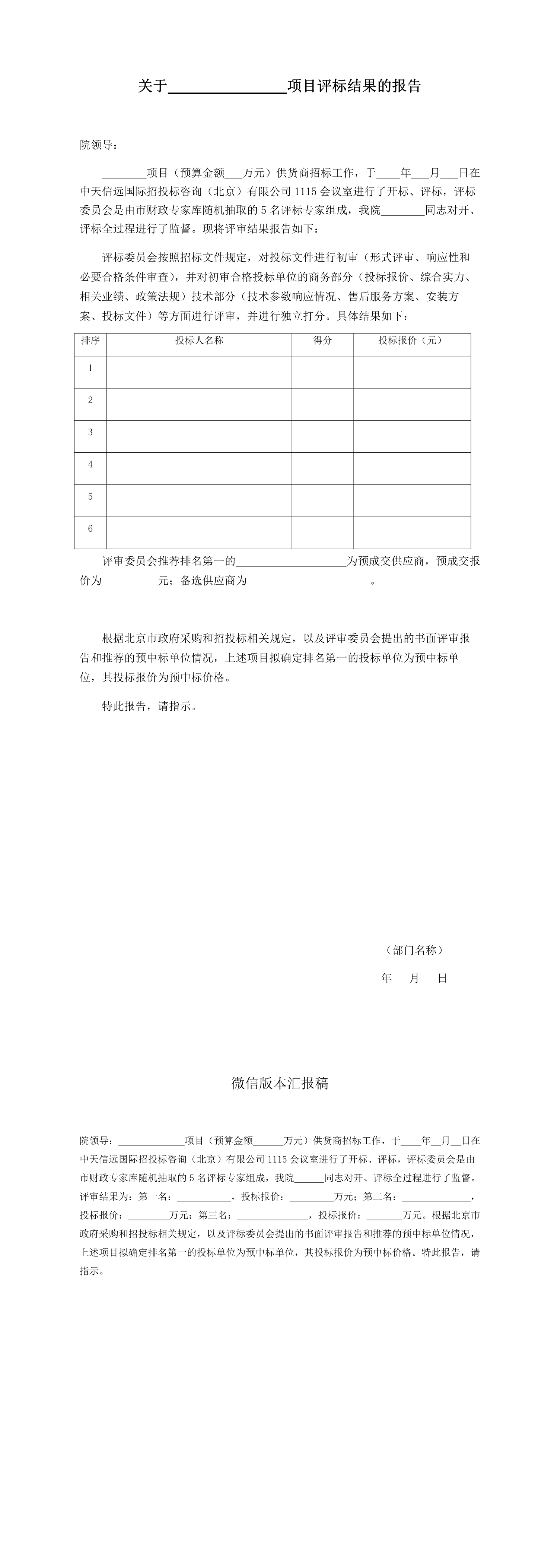
项目评标结果报告(样本)

2019年02月24日 作者:责任小编  来源:基建办公室

taptap点点体育(股份)有限公司-官方网站 版权所有 京 ICP 备 号 京公网安备 号

网上服务大厅
一站式服务(校外使用请先向信息中心申请VPN使用)
北京交院天地
部门宣传矩阵 专业宣传矩阵 学院全媒体平台
学生服务
资助申请 选修天地 课程查询 成绩查询 志愿查询 心理咨询 新媒体培训 第二课堂成绩单
教师服务
中国知网
其他服务
信息公开 招标公告 大兴后勤报修 海淀后勤报修 通州后勤报修
TOP